Descripción
- Imágenes UHR de muestras sensibles al haz no conductor a bajo kV
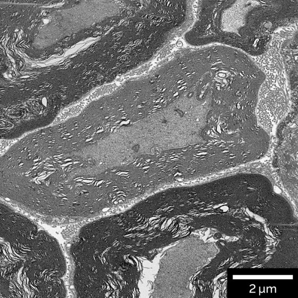
- Una investigación de rutina de secciones ultrafinas teñidas con metales pesados con un contraste excelente utilizando el detector BSE In-beam a kV extremadamente bajos
- Detector STEM fácil de usar como alternativa rentable al TEM de uso rutinario
- Compatibilidad con los principales proveedores de criosistemas del mercado
- Interfaz de usuario fácil de usar, totalmente personalizable, orientada a aplicaciones y modular








